top scroll helper
Note: Our products and services are intended exclusively for the B2B sector.

MD55/640-W Double rotor air motor

MD55/640-W Double rotor air motor

Applications Pneumatic motors with double rotors (gear wheels) - drive technology intended to be assembled into other machines. These air motors are high operating safe, sturdy and direction of rotation is returnable.

Pneumatic motor double rotor with 0.55 kW power

Useful Speed: 0 - 6,400 min-1
Convincing through easy control and high starting safety
Operation in clockwise/counterclockwise rotation
Flexibility through optimum speed range
The motor with double rotors impresses with its very long service life.
High starting torque
ATEX models II 2 GDcT4 - T6 or other special versions are available on request.
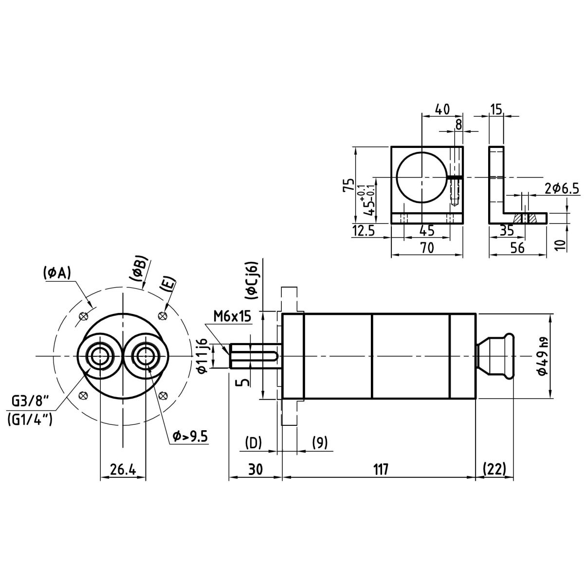
Technical specifications
Power [kW]: 0.55 kW
Useful speed: 0 - 6400 min-1
Optimal speed: 850 - 4000 min-1
Starting Torque: 1.90 Nm
Direction of rotation: Reversible
Chuck: Shaft-hub-connection Ø 11 j6
Construction form: Bracket
Weight: 1.10 kg
Length: 117 mm
Housing Ø: 49 mm
Shaft length: 30 mm
Min. Ø Inlet Air Motor / Pipe: 8 / 9 mm
Min. Ø Exhaust Air Motor / Pipe: 10 / 11 mm
Current: Pneumatic
Max. Working pressure: 6.0 bar
Inlet air connection: G 3/8" (G 1/4")
Included in delivery:

Motor

Options
Skip product gallery

Similar Articles

Double rotor air motor

€9,999.00*
Double rotor air motor

€9,999.00*
Double rotor air motor

€9,999.00*
Double rotor air motor

€9,999.00*
Double rotor air motor

€9,999.00*
Double rotor air motor

€9,999.00*
Double rotor air motor

€9,999.00*
Skip product gallery

Extras

Maintenance unit, three-part

€9,999.00*
Maintenance unit, three-part

€9,999.00*
Compressed air oil
Öl-1L Compressed air oil
Type: Öl-1L

€0.00*