top scroll helper
Note: Our products and services are intended exclusively for the B2B sector.

MD22/262-LK100 Double rotor air motor

MD22/262-LK100 Double rotor air motor

Applications Air motors with double rotors (gear wheels) - drive technology intended to be assembled into other machines. These air motors are high operating safe, sturdy and direction of rotation is returnable.

High-torque air motor for drive technology with 0.22 kW power

Useful Speed: 0 - 2,620 min-1
Convincing through easy control and high starting safety
Operation in clockwise/counterclockwise rotation
Flexibility through optimum speed range
The air motor with double rotors impresses with its very long service life.
High starting torque
ATEX models II 2 GDcT4 - T6 or other special versions are available on request.
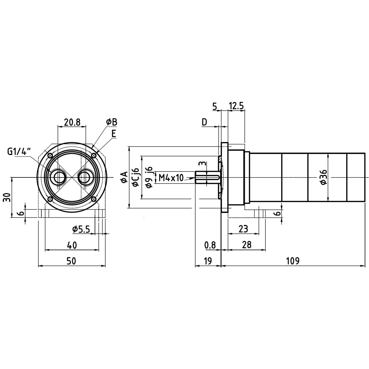
Technical specifications
Power [kW]: 0.22 kW
Useful speed: 0 - 2620 min-1
Optimal speed: 400 - 1880 min-1
Starting Torque: 2.10 Nm
Direction of rotation: Reversible
Chuck: Shaft-hub-connection Ø 9 j6
Construction form: IEC-flange pitch circle 100 mm
Weight: 0.75 kg
Length: 109 mm
Housing Ø: 36 mm
Shaft length: 19 mm
Dimension A: 100 mm
Dimension B: 120 mm
Dimension C: 80 mm
Dimension D: 2.5 mm
Dimension E: Ø9.0 mm
Min. Ø Inlet Air Motor / Pipe: 8 / 9 mm
Min. Ø Exhaust Air Motor / Pipe: 10 / 8 mm
Current: Pneumatic
Max. Working pressure: 6.0 bar
Inlet air connection: G 1/4"
Included in delivery:

Motor

Options
Skip product gallery

Similar Articles

Double rotor air motor

€9,999.00*
Double rotor air motor

€9,999.00*
Double rotor air motor

€9,999.00*
Double rotor air motor

€9,999.00*
Air vane motor
ME21A/235U Air vane motor

€9,999.00*
Air vane motor
ME20A/260-SP Air vane motor

€9,999.00*
Skip product gallery

Extras

Maintenance unit, three-part

€9,999.00*
Maintenance unit, three-part

€9,999.00*
Compressed air oil
Öl-1L Compressed air oil
Type: Öl-1L

€0.00*