| Power [kW]: | 0.28 kW | 
|---|---|
| Free speed: | 100 min-1 | 
| Direction of rotation: | Right | 
| Current: | Pneumatic | 
                                            
                            Product number:
                        
                    
                                            
                        
                            53172900
                        
                                    
                    
    
    
    
            
    
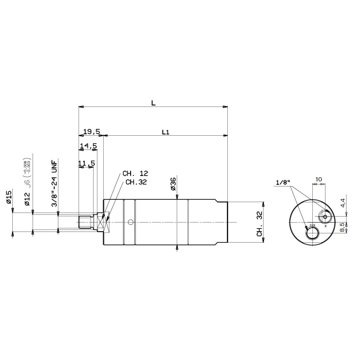
     ME28A/10-3/8 Air vane motor
                     Applications
                     This air motor with vane drive is intended for installation in machines, e.g. as drive units on conveyor belts, in machine tools, feed or entrainment devices, in the food or packaging industry, on production lines or for installation in hand-guided special machines. 
                
            
            
                 Power: 280 W 
Free Speed: 100 min-1
The air vane motors have low-noise and low-vibration values, start precisely and they run in right drive.
They are equipped with a thread 3/8" connection.
The durable air vane motors are low-maintenance, and wear parts can be changed fast and easily.
On request specific types are available: ceramic, stainless steel or motors with ATEX-certification; for high requirements to atmosphere, hygiene or safety.
 
Special features of low speed motors:
These motors are first choice for industrial applications, e.g. as agitator, unit drive, for position components, for several moves.
The most important technical feature is the low speed value and not the torque at max. power. Don’t use them depending on torque, when the motor stalls, it may cause damage to gear parts inside the motor. Adjust the torque on max. 4 – 5 Nm
                        
            Technical specifications
        
                                                                                                                                                                                                                                                                                                                                                                                                                                                                                                                                                                                                                                                                        Free Speed: 100 min-1
Air vane motor with thread 3/8" ME28A/10-3/8 - power unit for professionals
The 0.28 kW air motors can be operated oilfree.The air vane motors have low-noise and low-vibration values, start precisely and they run in right drive.
They are equipped with a thread 3/8" connection.
The durable air vane motors are low-maintenance, and wear parts can be changed fast and easily.
On request specific types are available: ceramic, stainless steel or motors with ATEX-certification; for high requirements to atmosphere, hygiene or safety.
Special features of low speed motors:
These motors are first choice for industrial applications, e.g. as agitator, unit drive, for position components, for several moves.
The most important technical feature is the low speed value and not the torque at max. power. Don’t use them depending on torque, when the motor stalls, it may cause damage to gear parts inside the motor. Adjust the torque on max. 4 – 5 Nm
| Power [kW]: | 0.28 kW | 
|---|---|
| Free speed: | 100 min-1 | 
| Torque at max. Power: | 8.00 Nm | 
| Direction of rotation: | Right | 
| Construction form: | Straight | 
| Weight: | 0.97 kg | 
| Length: | 189 mm | 
| Housing Ø: | 36 mm | 
| Shaft length: | 19.5 mm | 
| Recommended hose Ø: | 6 mm | 
| Air consumption: | 6.0 l/s | 
| Current: | Pneumatic | 
| Working pressure: | 6.3 bar | 
| Max. Working pressure: | 7.0 bar | 
| Information: | The figures shown are measured at a pressure of 6.3 bar (ISO 2787), the recommended working pressure. | 
| Chuck: | Thread 3/8" x 24 UNF | 
| Inlet air connection: | G 1/8" | 
| Exhaust air connection: | G 1/8" | 
    
      Included in delivery:
    
    
        Motor
        
          Options
        
        
        - Special motors and ATEX II 2 GD c T4 – T6 motors available on request.
 
                                                                         
                                                                                                                                                                                                                             
                                                                                                                                                                                                                             
                                                                                                                                                                                                                             
                                                                                                                                                                                                                             
                                                                                                                                                                                                                             
                         
                         
                                                                                                                                                                                                                                                                                 
                                                                                                                                                                                                                                                                                 
                                                                                                                                                                                                                                                                                 
                                                                                                                                                                                                                                                                                 
                                                                                                                                                                                                                                                                                 
                                                                                                                                                                                                                                                                                 
                                                                                                                                                                                                                                                                                 
                                                                                                                                                                                                                                                                                 
                                                                                                                                                                                                                                                                                 
                                                                                                                                                                                                                                                                                 
                                                                                                                                                                                                                                                                                 
                                                                                                                                                                                                                                                                                 
                                                                                                                                                                                                                                                                                 
                                                                                                                                                                                                                                                                                 
                                                                                                                                                                                                                                                                                 
                                                                                                                                                                                                                                                                                 
                                                                                                                                                                                                                                                                                 
                                                                                                                                                                                                                                                                                 
                                                                                                                                                                                                                                                                                 
                                                                                                                                                                                                                                                                                 
                                                                                                                                                                                                                                                                                 
                                                                                                                                                                                                                                                                                